师傅昨天大盘鸡吃的怎么样?味道不错。那你是不是把我欠下的课给我补一下。这要账要的挺快。好,给你补上去。 我们食纤夫系统啊,一般是经消耗显现的地,当食纤符发生单向的顺时捷径的时候,消耗眼圈可以很好的弥补电容电流,让让肌的信仰消失。 但是如果发生永久性接地的手掌消化线圈,由于消化剂的存在也不会引起线路宝宝跳闸。我们的解决办法是在消化炎旁边并成一个 小电阻,当发生永久记载收入,小电阻的开关自动合上小电阻投入,这样在机内点和小电阻之间形成的回落形成离心电流,让线路保护跳闸把故障把 记得记得先录隔离。那这样的话,呃电阻就一直投入吗?不是的,并不是所有的接接地都能造成,都能引起保护动作。当发生远距离的大 大大电阻接地的时候呢?搞错了再来大发生远距离的高速接地的时候到。那么小电由于小电阻和高可存在引起的离心电流啊,不随引起线路保护动作,那么如果这个小电阻一直投入的话,你只有电流过会引起这个小电阻的烧坏和爆炸, 这个时候我们要有个时间间隙来控制,让小店组只投入一定规定的时间,在规定时间内 避免当发生远距离高阻击的时候,由于高左存在和小电的左存在引起的产生的零点六不足月经线路薄跳闸,但是仍然会给小电 有电流流过,导致线小电阻烧坏,所以小电阻的投入是有时间限制的,我们还要在开关上加个时间机,电器 小店怎么在规定时间内投入和接和切除?小张你学会了吗?学会了。那今晚吃啥?我们去吃个辣条吧。啊,那算了,太硬,我还是减肥吧。
粉丝4.6万获赞16.9万

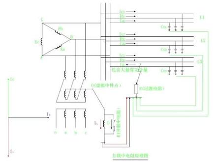
并联中电阻接地选线装置,各位朋友大家晚上好,今天我来讲一下呃,十千伏系统,嗯,经过销户线圈接地以后,如果发生单向接地故障, 很难选择出其中哪一条线路出现故障,这个有没有好的方法来选线呢?目前有两种办法, 嗯,有,第一个就是经过中心点并连中电阻选线,还有一种就是经过小电阻选并连小电阻。 下面我着重讲一下就是中性点并联中电组的接线原理,这个是就是一个中性点, 就是这个中心点并联了一个中电组接地经过一个控制器,他这个类似一个接触器的控制,控制这个接触器来控制并联中电组的头切。 下面讲一下原理,当系统发生单向接力的故障的时候,对于顺时性的接力故障,由于流过 相互现出的电感性电流与流入接地点的电容电流的急性相反,就这个他的香味是相差一百八十度的,所以他就相反。 ic 和 il 接地护道中所剩的残留很小,顺时接地故障, 嗯,就自行消失了。当选线装置判定故障为永久性接地故障时,嗯,经过一定的岩石投入这个并联的中电阻,就这个这个接触器细合了,把这个并联中电阻投上, 投的时间小于一秒,投的时间很短,这个保证他这个电阻不不被烧坏,投的时间长的话,这个热量就很大。 在中性联电压的作用下,并联电阻就会产生一些有功的分量,就这个紫色的部分,紫色的部分就是有功的分量,然后通过这个嗯,接地点流入到这个母线上,通过这个线流入到这个 线上,然后这个就可以看得出来电阻、电容和电杆。 哎,由于这个电流分量只通过接地点流过故障线路的故障项就是这个地方故障 a 项目。 a 项故障线路的故障项包含大量的有供分量,使故障线路的零序电流增加,远大于非故障线 线路的零蓄电流。嗯,并连电阻产生的电流方向与系统零序电压的方向也相反, 嗯,使故障线路的灵犀电流增大很多。但是非故障陷入的灵犀电流就是这些非故障陷入的灵犀电流仍然为自身对地的电流 电流。因此,在故障选线时,通过对比各线路的零虚电流大小,其中零虚电流最大的就是这个故障线路。嗯,其中也包含了大量的有有公分量。 嗯,通过以上的方法来先先选出来这个故障的线路。嗯,目前市面上做的产品 大多就是并连中电阻或者并连个小电阻,这种接力选线的都是通过这个。嗯,头切电头切这个装置。 嗯,国网和南网的设备一般都是选用这种产品的。嗯,我做了这几个项目也都是选用那个并联中电, 因此我对这个有一点了解。好了,今天的分享就到这里,谢谢大家的观看。

肖胡和肖写的工作原理是不一样的,肖胡是指当母线发生单向金属接地时,肖胡装置动作是金属接地。通过肖胡装置动作的真空接触器直接接地, 有利于母线保护动作,这样可以避免斜拨的产生。削斜主要是消除二次斜拨以及高次斜拨,有利于电网的安全运行。正常运行时,消弧线圈中无电流通过,而当电网受到雷击或发生单向电弧性接地时,中性点电位将上升到向电压, 这时流经消弧线圈的电杆性电流与单向接地的电容性故障电流相互抵消,使故障电流得到补偿。补偿后的残余电流变得很小,不足以维持电弧,从而自行熄灭,这样就可使接地迅速消除,而不至引起 起过电压。消弧线圈主要是由带气息的铁芯和套在铁芯上的绕组组成,他们被放在充满变压器油的油箱内,绕组的电阻很小,电抗很大。消弧线圈的电杆可用改变接入绕组的扎数加以调节。 在正常运行状态下,由于系统中性点的电压是三相不对称,电压数值很小,所以通过销弧线圈的电流也很响,电弧可能自动熄灭。一般采用过补偿方式,就是电杆电流略大于电容电流。销弧线圈是一种带铁芯的电杆线圈, 它接于变压器或发电机的中性点,与大地之间构成消弧线圈接地。系统正常运行时,消弧线圈中无电流通过,而当电网受到雷击或发生单项电弧性接地时, 中性点电位将上升到向电压,这时流经销弧线圈的电感性电流与单向接地的电容性故障电流相互抵消,使故障电流得到补偿,补偿后的残余电流变得很小,不足以维持电弧, 从而自行熄灭,这样就可使接地迅速消除而不至引起过电压。长期以来,我国六到三十五 kb 含六十六 kv 的电网大多采用中性点不接地的运行方式。 此类运行方式的电网在发生单向接地时,故障相对地电压降为零,非故障项的对地电压将升高到线电压 ul, 但系统的线电压维持不变。 因此,国家标准规定,这类电网在发生单向接地故障后,允许短时间两小时带故障运行,所以大大提高了该 电网的供电的可靠性。现有的运行规程规定,中性点非有效接地系统发生单向接地故障后允许运行两小时,但规程未对单向接地故障的概念加以明确接定,如果单向接地故障为金属性接地,则故障项的电压降为零, 其余两件全相对的电压升高至线电压。这类电网的电气设备在正常情况下都应能承受这种过电压而不损坏。但是,如果单向接地故障为无光接地, 会在系统中产生最高值达三点五倍向电压的过电压。这样高的过电压如果数小时作用于电网,势必会造成电器设备内绝缘的积累性损伤。如果在健全项的绝缘薄弱环节造成绝缘对地击穿,将会引发成相见短路的重大 事故。中性点不接地的高压电网中,单向接地电容电流的危害主要体现在以下四个方面,一、弧光接地过电压的危害当电容电流一旦过大,接地点电弧不能自行熄灭, 当出现间歇性电弧接地时,产生弧光接地过电压,这种过电压可达向电压的三到五倍或更高,它遍布于整个电网中,并且持续时间长可达几个小时,他不仅击穿电网中的绝缘薄弱环节, 而且对整个电网绝缘都有很大的危害。二、造成接地点热破坏及接地网电压升高单向接地电容电流过大,使接地点热效应增大,对电缆等设备造成热破坏。该电流流入大地后,由于接地电阻的原因,使整个接地网 电压升高,危害人身安全。三、交流杂散电流危害电容电流流入大地后,在大地中形成杂散电流,该电流可能产生火花,引燃瓦斯爆炸等,可能造成雷管先期放炮,并且腐蚀水管、气管等。 四、接地电弧引起瓦斯、煤尘爆炸。消弧线圈的作用电网安装消弧线圈后,发生单向接地时,消弧线圈产生电杆电流,该电杆电流补偿因单向接地而形成的电容电流,使得接地电流减小, 同时使得故障项恢复电压速度减小,治理电容电流过大所造成的危害。同时由于消弧线圈的嵌尾作用,它可以有效的防止铁磁斜震或电压的发生概率。消弧线圈接地方式存在的一些问题, 单向接地故障时,非故障相对的电压升高到三相电压以上,持续时间长,波及全系统设备,可能引起第二点绝缘击穿,引起事故扩大事故。二、消弧线圈不能补偿斜坡电流。有些城市电网斜坡电流站的比例达百分之五到十五, 仅斜拨电流就可能远大于十 a, 仍然可能发生湖光接地过电压。三、对于电容电流很大的配电网,如果通过补偿,要是单向接地故障电流 a 至了十 a, 就必须使系统保持较小的拖鞋度。系统的拖鞋度过小,对由于三相电容不对称引起的中性点位移电压会产生较强的放大作用,使中性点电压偏移超过规程允许值百分之十五,按保护将发出接地故障信号。另外,拖鞋度 太小,系统运行在接近邪震补偿状态,将给系统运行带来极大的潜在危险。邪震过电压要保证中性点位移电压不超过归程允许值,就要增大拖鞋度。然而,拖鞋度过大 将导致残余接地电流太大, a 指的十 a 又可能引起间歇性弧光接地过电压很难保证。即使残余接地电流 a 指的十 a, 又保证中性点位移电压不超过归程允许值。这两个相互制约的条件。四、销弧线圈的调节范围受到调节容量限制, 调节容量与额定之比一般为二分之一。如按中期要求选择工程初期系统电容电流小,消弧线圈的最小补偿电流偏大,可能投不上。如按工程初期的要求选择工程中期系统 电容电流大,销弧线圈的最大补偿电流又偏小,也不能满足合理补偿的要求。五、在运行中,销弧线圈各分接头的标称电流和实际电流会出现较大误差,运行中就发生过由于实际电流与铭牌电流误差较大而导致邪震的现象。 六、由于系统的运行方式及系统电压经常变化,系统的电容、电流经常变化,跟踪补偿困难。目前的自动跟踪补偿装置呈百花齐放的景象,实际运行考验时间较短,运行情况还不理想, 而且价格高、结构复杂,维护量大,不适应无人值班变电站的要求。七、由于上述原因,中性点经消浮线圈接地仅能降低壶光接地过电压的概率,不能消除壶光接地过 电压,也不能降低弧光接地过电压的扶直弧光过电压倍数也很高。八、寻找单向接地故障线路困难。目前许多小电流接地选线方法的选线成功率还不理想,往往还要采用视拉法。 九、采用式拉法时,既造成非故障线路短时停电,又会引起操作过电压。十、系统邪震过电压高。邪震过电压持续时间长,并波及全系统设备,常造成 pt 烧坏或 pt 熔断器熔断。 武高索和广州供电局在区装变电站试验中测的二分之一分频斜震过电压达二 pu 测的油和炸操作激发的三次高频斜震过电压达四 pu 测的 a 向导线断线并接地,于负荷测时斜震过电压值为三点八 pu。 十一、电缆排管或电缆隧道内的电缆发生单向接地时,不及时断开故障线路,可能引起火灾。上海某三十五 kv 系统电缆就发生过单向接地,一小时后引起火灾,烧毁电缆隧道中四十多条电缆的重大事故。十二、寻找故障线路时间较长, 在带接地故障运行期间容易引起人身触电事故。十三、单向接地时,非故障向点压升高至限点压或更高, 在不能及时检出故障点的情况下,无间隙金属氧化物 m o a 避雷器长时间在线电压下运行,容易损坏甚至爆炸。 弧光接地过电压、邪震过电压幅值高,持续时间长。 m o a 由于动作负载问题,一般不要求 vivo 系统内过电压,不能有效利用 m o a 的优良特性, 不利于 moa 在配电网的推广使用。以电缆线路为主的配电网的特点,一、单位长度的电缆线路的电容电流比架空线路电容电流大十几倍,以电缆为主的城市电网对地电容电流很大。 二、电缆线路受外界环境条件、雷电、外力、树木、大风等影响小瞬时接地故障很少,接地故障一般都是永久性故障。 三、电缆线路发生接地故障时,接地电弧为封闭性电弧,电弧不易自行熄灭,如不及时跳闸,很容易造成相间短路扩大事故。 四、电缆为弱绝缘设备,例如十 k b 交连距乙烯电缆的一分钟公平耐压为二十八 k b, 而一般十 k v 配电设备的绝缘水平为 四十二 kb。 在消浮线圈接地系统中,由于查找故障点时间较长,电缆长时间承受公频或暂态过电压作用,易发展成镶嵌故障,造成一线或多线跳闸。 五、在电缆线路中,高频震荡电流浮直大衰减慢,高频震荡电流远大于公屏电流。在公屏电流过零时,高频震荡电流仍然有很大的浮直。 维持壶光燃烧取决于高频震荡电流衰减的快慢和公平电流消弧线圈不能补偿高频震荡电流,又由于在电缆线路中消弧线圈补偿后的残留大消弧线圈在电缆线路中不能消弧。 p t 斜震一、 p t 斜震 p t 斜震对于 u u 电磁式 p t, 在正常情况下,线路发生单向 接地,不会出现铁磁斜震过电压,但在下列条件下就可能引发铁磁斜震。一、对于中性点不接地系统,当系统发生单向接地时,故障点流过电容电流。 但是一旦接地,故障点消除,非接地,像在接地故障期间,已充的线电压电荷只能通过 p t。 高压线圈经其自身的接地点流入大地。在这一瞬间,电压突变过程中, p t 高压线圈的非接地两厢的粒子电流就要突然增大 甚至饱和,由此构成相间串联斜镇二、系统发生铁丝斜镇近年来,由于配电线路用户 pt 电子控制、电焊机、调速电机等数量的增加,使得十 kv 配电系统的电气参数发生了很大的变化,导致 震的频繁出现。在系统邪震时, pt 将产生过电压,使电流激增,此时除了造成一次侧熔断器熔断外,还将导致 pt 烧毁,个别情况下还会引起避雷器、变压器、断路器的套管发生闪落或爆炸。 三、线路检修事先不向调度部门申请办理停电手续,随意待复合拉开分支线路隔离刀闸,或待复合拉开配电变压器的高压跌落开关,造成刀闸间弧光短路而引发邪震。四、 当配电变压其内部发生单向接地故障时,故障电流将通过抗电能力强的绝缘由对地放电, 也会产生不稳定的电弧,激发电网斜震。五、运行人员送电操作程序不对,未拉开 p t 高压侧刀闸,就直接带 p t 向空母线送电,引起 p t 铁磁斜震。

本集视频内容分享中性点运行方式他的基本概念,电力系统中性点外形接线的发电机或变压器。中性点运行方式共有三种, 一、中性点不接地运行方式。二、中性点经消弧线圈或大阻抗接地运行方式。这两种方式也属于小接地电流系统。三、中性点直接接地或经小阻抗接地运行方式。我们也可以说是大接地电流系统 中性点运行方式。分析中性点运行方式的目的,运行方式不同会影响运行的可靠性,设备的绝缘、通信的干扰、祭奠保护等。 大电流接地系统最长采用的中性点直接接地方式,发生单相接地时,中性点电位接近为零,对地电压接近位向电压,这是流过的短路电流非常的大。 他也是有优点的,他的优点,一、降低电网对地绝缘,节省造价。二、不外加设备即可消浮。缺点一, 一、供电可靠性降低,改进安装自动重合闸装置加备用电源。二、短路电流很大。改进,中性点轻便,抗拒接地景部分中性点接地。 由于可明显降低绝缘部分造价。 目前我国一百一十千伏及以上电网普遍采用中性点直接接地方式。在三百八十二百二十伏低压配电系统也常采用这种方式,是为防止单箱接地时非故障箱出现超过二百五十伏的对地电压,危及人生的安全。 中性点运行方式小接地电流系统采用最多的方式,一、中性点不接地系统。二、中性点经消弧线圈接地系统。 中性点不接地系统。为了方便分析,我们假设以下条件,一、三项系统对称及电源中性点的电位为零。二、对地分散电容用集中电容表示, 线尖电容不予考虑。三、假设三项系统完全对称,则复刻电流对称。四、各相对地电容相等且都为 c, 则对地附加电容电流对称。五、中信点电位为零。 中性点运行方式,这是他正常运行情况的示意图, 发生异常运行情况时,发生单向接地故障,故障向地压降为零,非故障向地压上升为根号三倍对地电流是正常运行的单相对地电容电流的三倍。 结论,绝缘水平按线电压设计,三项系统仍然对称,可以继续 运行两小时。因存在接地溶性电流,或在接地点有电伏, 中性点经消弧线圈接地系统为什么要采用中性点经消弧线圈接地?在中性点不接地系统中,当接地电流超过规定时, 三至十千伏系统接地电流大于或等于三十安时,二十至三十五千伏系统接地电流大于或等于十安时,线路上会产生间歇性的电弧,引起湖光或电压。因此必须采用经销胡建圈接地的措施来减小接地电流。新密电弧 珊瑚线圈在结构上有什么特点呢?珊瑚线圈实际上是一种具有铁芯的可调电感线圈, 其电阻很小,感抗很大,集铁心柱有很多间隙,以避免此饱和,使消弧线捐有一个稳定的电抗值。 中性点运行方式,中性点经消弧线圈接地,他发生单向接地故障时,故障向地压降为零,非故障向地压上升为根号三倍。 中信点经销湖线捐接地的系统发生单相接地库障时,与中信点不接地的系统中发生单相接地库障时一样,接地相对的电压为零, 非故障相对的电压升高根号三倍。由于相见电压没有改变,因此三项设备人可以照常运行,但也不能长期运行,必须装着 单相接地保护或局员监视装置,在干相接地时给予报警信号或指示,运行值班人员应及时采取措施查找和消除故障,如可能时将重要负荷转移到备用线路上。 根据萧湖线圈的电杆电流对接地电容电流补偿程度不同,有三种补偿方式,全补偿、欠补偿以及过补偿。 中性点运行方式的应用范围,一、宫殿的可靠性经消弧线圈接地大于不接地,大于直接接地。 二、过电压与绝缘水平大接地向电压小接地线电压。三、对通讯与信号系统的干扰程度,大接地电流 流大,干扰大小,接地电流小,干扰小。四、应用范围,一百一十千伏及以上采用中信点直接接地。 三十五至六十六千伏,电流小于十安时采用中性点,不接地电流大于十安时,中性点经消弧线圈接地三至十千伏,电流小于三十安采用中性点,不接地电流大于十安 采用中性点经消弧线圈接地方式,一千伏级以下采用中性点直接接地方式。内容以上仅供学习参考。

接地便间占用便, 这是一台销户线圈兼做占用边的一次接线原理图。接地面的总容量是八百千伏安, 占用便容量是二百千伏安,消弧线圈的容量是六百三十千伏安。为什么要设置这个消弧线圈? 那如果是一个小的系统,只有几路出现,而且多数是架空的, 可以不设置个接力变压器。如果是一个非常复杂的系统出现很多, 尤其是这种电缆出现,那么这个接地便就是必须要设置的。根据国标五零零六四杠二零一四第 三点一点三条规定,不直接连接发电机,有电缆线路构成的六到二十千伏系统,当单向接地故障电容电流不大于十安时, 可采用中心点不接地方式。当大雨山有需要在接地故障条件下运行时,以采用中心点斜正接地方式,这个中心点斜正接地方式就是消弧线圈接地。 这个依次接线原理图呢?接线组别,接地面的接线组别是 z n y n 幺幺接线。 高压侧为什么要采用这个类型接线呢?这就是因为降压变压器很 多十一万变三十五千伏或者十千伏的,一般低压侧三十五千伏或十千伏都做成角角形接线,这样就有一个弊端,中性点是无法引出的, 用 z 型接线的话,就可以人为制造一个中性点是吃纤夫系统,可以中性点引出,这样的话就有利于他接地,或者经相互线圈接地,或者经小电子接地。 下一次我来讲一下他这个具体他是怎么接的,他就这个系统是怎么工作的,还有 这个项链图是怎么画出来的?就这个十一点中间线是怎么出来的?下一讲讲吧。

欢迎来到电力小课堂这期分享什么是消弧线圈?在电力系统中有什么作用?消弧线圈是一种用于电力系统中的电器元件,它的作用是在开关断路时,消除断路开关接点上的电弧,从而保护电力系统的设备和人员安全。 在电力系统中,当高压开关断开时,空气中的电弧会形成,这会产生极高的温度和压力,可能会损坏开关的节点,甚至引起火灾等安全事故。 销弧线圈可以利用自感性的特性产生高电压脉冲,从而将电弧熄灭,保护开关接点和电力系统的设备安全。 销弧线圈一般由铜线绕成的线圈和磁芯组成,当电弧在开关接点上形成时,销弧线圈中的电流会产生磁场,这个磁场会产生高电压脉冲,从而将电弧 熄灭。消弧线圈的作用不仅仅是熄灭电弧,还可以将电弧能量转化为电能进行回收,提高能源利用率。总之,消弧线圈在电力系统中起着非常重要的作用,他们可以消除开关接点上的电弧,保护电力系统的设备和人员安全。 销弧线圈技术的应用还可以提高能源利用效率,减少能源浪费。关注我更多相关资料,评论区留言领取!

高压系统的中性点为什么要经消弧线圈接地呢?对于时间伏电网,当全系统的电容电流超过二十安时,就应该装设消弧线圈。 对于以电缆线路为主的十千伏电力网,当系统发生单向接地之时,此时接地点会流过全系统的对地电容电流,使电流比较大,往往会在接地点燃气电弧引起弧光过电压, 从而使非故障像对地电压进一步升高,使得部分绝缘薄弱的环节发生损坏,有可能进而形成两点或者多点接地短路,酿成停电事故。 而为了解决上面的问题,通常在中性点接入一个电感线圈,这样当单向接地时,在接地点就有一个电感分量的电流,通过,此电 电流和原系统中的电容电流相抵消,可以有效减少流经故障点的电流,熄灭电弧,因此称这个电杆线圈为销弧线圈。 当系统采用了销弧线圈以后,单向接地时的电流分布将发生重大的变化。 因为接入销弧线圈之后,在接地点接地以后,电容电流的大小和分布与不接销弧线圈时是一样的,不同之处是在接地点又增加了一个电杆分量的电流。 销弧线圈电杆分量的电流是对故障点产生电容电流的一种补偿。根据这个电流对电容电流补偿程度的不同,销弧线灯可以分成完全补偿、欠补偿以及过补偿三种补偿方式。那么这三种补偿方 方式哪一种最有效呢?第一种是完全补偿,是不是这是最好的一种补偿方式呢? 单单从消除故障点的电弧,避免出现弧光过电压的角度来看,这种保障方式是最好的。但是从运行实际来看,这就存在有严重的缺点,因为在完全补偿之时,正是电杆和三相对地电容五十赫兹的交流串联协震的条件。 这样如果正常运行时,在电源中性点对地之间有电压偏移,就会产生串联斜震,线路上产生很高的斜震过电压。实际上,架空线路三厢的对地电容不完全相等, 正常运行时,在电源中性点对立之间就产生电压偏移,会出现连续电压,该电压将 在串联邪震回路中产生很大的电压降,从而使电源中性点对地电压严重升高,这是不允许的,因此在实际上不能采用这种方式。 而欠补偿方式,补偿后的接地点电流仍然是电容性的,仍然不能避免上述问题的发生,因此这种方式一般也不采用 过补偿。补偿后的残余电流是电感性的,采用这种方式就不可能发生串联邪震的过电压问题,因此在实际中获得了广泛的应用。 但是要注意,在这种情况下,首先无法利用功率方向的差别来判别故障线路。其次,由于过补偿度不大,因此也很难像中性点不接地系统那样,利用零蓄电流大小的不同来找出故障线路。
