粉丝3200获赞4141



这个服务员,服务员服务 左侧无车,右侧无车可以上道,大家可以 顺着我的手势朝前面看,像这种反光的地方,我们的石头上面稻床啊,石渣已经结上了厚厚的一层冰霜,走在上面会特别的特别的滑,一定要去注意好脚下放空 信号机的内部啊,干燥有异常,没有发现进水进潮的现象,现在我们正在测试这个灯端电压啊,这边是二诡异的发送啊,九十九点三,现在我们对三号降压的上水口进行一个调整, 瞅瞅这组合好,来一,三号倒叉掏定位,三号倒叉动了,注意安全, 动作版的这一步骤, 手臂发挥完全清理出来。好嘞, 我们白天的主要任务主要是对各类监测终端数据进行浏览分析,每天至少要对全线设备进行两次的全覆盖浏览分析上万条数据, 每次一坐就将近是三个多小时。今年春运以来,我们更是加密了浏览频次,确保信号设备的安 安全稳定利用。今天呢,我来对信号基业史进行日常的巡视,巡视的整体的过程呢分为了听闻探测记, 听呢,就是听我们的室内设备有没有异常的报警声音,闻就是闻室内的设备有没有因为是过热而产生的焦味。 看呢,主要是看我们的防雷原件啊,有没有强烈化的标记啊,防阻的区域有没有异常,还有客户的反面指示灯是否是正常状态, 还有就是我们的应急备品啊,一定要去保证齐全。测呢,主要是测啊,各类的发热体啊,呃,被压器有没有过热的现象。最后呢,要填写一个巡检的记录,站在我 我们值班室的这里啊,拉开窗帘便可以看到列车疾驰而过的情景了,都感觉春运的每一份坚守都是值得的。

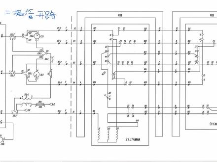
今天讲什么呢?今天讲 s 七百 k 和 zy 机器的启动电路。哎,你,可能,然后有的人肯定会疑问了,你不是,这不是 zy 机器的图吗?哪来的 s 七百 k? 其实我们的单机的 s 七百 k 和我们的 zy 机器的主机的图是一样的啊,为什么呢?因为它的启动电路它只用了主机部分,没有用到副机部分, 它的图跟我们的 s 七零零 k 和 z y g 七是用的一样的图啊。所以说,不管你是来看 s 七零零 k 还是能还是来看 z y g 七的,都可以来听一下啊。 启动电路,启动电路,顾名思,顾名思义啊,就是让他动起来,嗯?怎么跑嘞?首先我们啊,我讲东西喜欢讲概念啊。首先我们讲启动,启动他还没动之前,我们的目的是让他动, 他没动之前,比如说我们让他往定位动,我们称之为定超,或者是反超。定反超定,我们的目的是让他动到定位去,说明什么?说明他现在的位置 还在反位,听懂这个概念没有?我们定操,定操,就说明他现在的位置还在反位,我们才会定操。听懂这个有什么意义呢? 就是啊,我们的定位是一三排闭合,反位是二四排闭合,那既然他还在反位,我们的自动开闭器是不是现在还打在二四排?我们要的结果是让他打到一三排去,但是他现在还没打过去。所以我们跑启动电路的时候一定不要犯表示的错误,表示是他在什么位置我就跑什么位置,启动电路是跑相反的位置, 我们的钉起电路其实他就是在跑我们的反表线路的一部分。好,现在我们先看这个钉起电路, 这其实这里前面我之前这种跑电路的一直转机,这些我应该都在那个小视频里面讲过,我们就直接看这个电路啊,主要这几个关键的点在哪里?这里是 怎么过来的?这三个三组接点,这三组接点是因为我们的一道起吸起,然后我们的一道起有一个缓放作用,我们的一道起既辅是辅,是一道起的接点,所以他也会跟着吸起,这这三组接点就够统了, a、 b、 c 三相电就能往外送。 好,二道起为什么走这里?为什么走这里?为什么呀?是因为我们刚刚还说的二道起还在反位,我们是要往定位操, 我们一操之后,他的二道起就变成了稀起了,你要让他动作,你肯定是二道起先动作,是吧? 二道棋先动作,二道棋动作了,但是我们的表示电路是还没有动作的,也是说什么嘞?我们的二道棋转极了,但是我们的表示还是在反位,表示二道棋已经达到定位了,此外还在反位, 懂这意思吧?这时候属于一个室内外不一致,我们抄完二道起,所有一塌要往定位走,往前接点走啊,一二二一,一二到这里,这里到四一四二一二到零零三,这里到四三 四四幺四 k 一 k 二到零一二现一就不用讲了,就直接到零一。好,这是一个简单的启动电路,跑通怎么跑重?难点就是 室外还带反位,室内的二道起已经因为我们操动他,他已经转到定位,这就是一个鄙视,很多人跑电路,他他喜欢二道起在什么位置,然后外面也喜欢跑什么位置?二道起,他如果稀奇,他就喜欢跑定位。 只有我们的表示电路的时候才是这样子的,表示电路才会室内外一致,我们启动电路的时候室内外是不一致的,你们要清除这个点。好,如果我们中机工、高机工遇到了这种启动故障怎么处理 啊?只是单一的这种带成启动故障,不带那种前面保护机这种,嗯,细节一点的啊,这种故障怎么去处理?比如说我们的哪条线断了呀?线一吧。先来个简单的,线一断,线一断了怎么处理?线一断了的现象是什么? 新一段的现象,新一是一个公共线,把它断了又没有表示又启动不了,不管你往定位插好还是往返回插,它都动,动不了。为什么动不了呢?因为它本来自己在一个位置,就算你在另一个位置也超不过来。新一是一个公共的启动线, 那我们来查这个故障,那我们还是用表说话。我们现在反超定,反超定 e 超,反超定 e 超之后我们发现 or 转机了,但是手腕没有动作,哎,手腕没动作,手腕没动作,但是转机呢?没动作。那我们去测一, 我们的一二五,看看它为什么不动作?测一笔一二,左边测一笔一二。如果一二出现了一百亿或者是说灵符应该怎么办? 有让你们思考一下,出现了一百亿或者是零辅怎么办?

